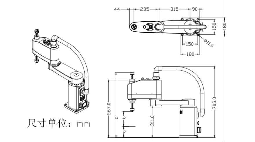
外形尺寸

產品參數

運動控制器

主要說明
歐力克斯工業機器人研發的運動控制器XT_CTRL CARD V04,是一款基于高性能ARM微處理器上,歐力克斯自主研發的一種通用型獨立式運動控制器,可控制1-6軸伺服電機或者步進電機,可以與多種類型電機和舊元件組成完整的控制系統。16路通用數字驅動輸出能力為24V/500MA,可接繼電器,電磁閥之類。運動控制器最高脈沖頻率2Mhz,具有點運動,空間直線與圓弧插補,梯形和S形曲線加減速控制等功能。
運動控制器具了講N簡的指令集,用戶直接在手編器上編寫控制器程序,修改控制器參數;本控制器還配有手編器示教功能,通過簡單的編程設定即可做出連續軌跡運動。
特性
32位ARM的Cortex一M3處理器
32路通III數字光禍輸入八6路通用數字驅動輸出
12路差分輸出
2路RS232通信
6軸任意空間直線與圓弧插補
豐富的指令集,可執行G代碼
程序存儲空64Mbit
應用范圍
工業機器人
電子產品自動化加工,裝配,測試
半導體,LCD自動加工,檢測,點膠機,焊錫
機器視覺及測量自動化
專用數控機機床
選擇歐力克斯的3大理由

深圳市歐力克斯科技有限公司成立于2011年,是一家擁有自主品牌的精密點膠設備專業智造商,為深圳市技術創新企業和國家高新技術企業。公司施行集團化管理,除位于深圳市寶安區的總部之外,還擁有蘇州生產基地、華東分公司、西南分公司、成都辦事處等子公司和分支機構。
歐力克斯通過了ISO9001:2015質量體系認證,擁有自主知識產權專利29項,專注于自動點膠機、噴射式點膠機、在線式點膠機、自動焊錫機、自動灌膠機、噴射閥等流體控制設備及智能制造自動化的研發、生產、銷售及為客戶提供解決點膠技術方案等配套服務。
OLKS自動化設備主要應用于高端制造業中的IC芯片封裝、點膠密封、粘接、表面涂覆、定點灌封、高精密非接觸噴射底部填充點膠等組裝作業,行業遍及手機組裝、3C數碼、SMT/EMS、家電、LED照明、新能源、汽車電子、軍工、半導體、醫療器械等。公司始終牢記“利他思維”秉持“匠心精神”,強大技術專家團隊和精英化銷售團隊為客戶提供“星級服務”創造更大價值,助力中國制造2025!


作為一家科技創新驅動型企業,歐力克斯歷來重視新技術的創新與研發,目前已完成了在多個核心關鍵技術方面知識產權的布局。



歡迎進入歐力克斯
Welcome
![]() | 深圳市歐力克斯科技有限公司 深圳市歐力克斯科技有限公司,成立于2011年,是獲得ISO質量認證的國家級高新技術企業。歐力克斯通過了ISO9001:2015質量體系認證,擁有自主知識產權專利29項,專注于自動點膠機、噴射式點膠機、在線式點膠機、自動焊錫機、自動灌膠機、噴射閥等流體控制設備及智能制造自動化的研發、生產、銷售及為客戶提供解決點膠技術方案等配套服務。 全國服務熱線:136-3265-2391 |
歐力克斯總部
OLKS Headquarters
![]() | 電話:13632652391 | ![]() | 傳真:0755-27564660 | ![]() | 郵箱:[email protected] |
![]() | 公司地址:廣東省深圳市寶安區福永街道白石廈東區文明路39號 | ||||
江蘇分公司
Jiangshu Branch
地址:江蘇省蘇州市昆山市玉山鎮開貴路11號協和5G科技產業園
重慶分公司
Chongqing Branch
地址:重慶市沙坪壩區科學城大道中電光谷產業園14棟
華東分公司
Chengdu Branch
地址:杭州市余杭區良渚街道
咨詢:四軸機器人裸機
* 為必填項
版權所有 深圳市歐力克斯科技有限公司| 備案號:粵ICP備12085459號 保留所有權利.